溫濕度大氣壓噪聲傳感器
產品型號:FT-B4
產品(pin)簡介(jie):溫濕度(du)大氣(qi)壓噪(zao)(zao)聲(sheng)(sheng)傳感器是一款監(jian)測空氣(qi)溫度(du)、空氣(qi)濕度(du)、大氣(qi)壓力、噪(zao)(zao)聲(sheng)(sheng)的(de)傳感器,溫濕度(du)大氣(qi)壓噪(zao)(zao)聲(sheng)(sheng)傳感器產品(pin)設計輸出信(xin)號標配為RS485通(tong)訊接(jie)口(MODBUS協(xie)議(yi)),也可選配其(qi)他接(jie)口。
市場價格:¥ 580元
聯系(xi)方(fang)式(shi):15689257565
相關產品
一、溫濕度大氣壓噪聲傳感器產品簡介
山東風(feng)途(tu)物聯(lian)網科(ke)技有(you)(you)限(xian)公司作(zuo)為專業(ye)研(yan)發生(sheng)產(chan)氣象(xiang)(xiang)傳(chuan)感(gan)(gan)器(qi)的企(qi)業(ye),一直致力于(yu)氣象(xiang)(xiang)傳(chuan)感(gan)(gan)器(qi)和氣象(xiang)(xiang)環境解(jie)決方案推廣應用(yong)。具有(you)(you)完整的生(sheng)產(chan)鏈、實(shi)力雄厚的技術團(tuan)隊和全面的營(ying)銷團(tuan)隊,我們研(yan)發生(sheng)產(chan)的傳(chuan)感(gan)(gan)器(qi)已廣泛(fan)應用(yong)到(dao)智慧農業(ye)、氣象(xiang)(xiang)監測(ce)、城市環境監測(ce)、風(feng)力發電、航海船舶、航空機場、橋(qiao)梁隧道等領(ling)域,客戶遍布全國各地,并取得了(le)良好(hao)的社會效益和經濟效益。
二、溫濕度大氣壓噪(zao)聲傳感器產品特(te)點
1、抗干擾能力強(qiang),具有看門(men)狗(gou)電路(lu),自(zi)動復位功(gong)能,保(bao)證(zheng)系統穩定運行
2、高集成度,無移(yi)動(dong)部件,零(ling)磨損
3、免維(wei)護(hu),無需現場(chang)校準
4、采(cai)用(yong)ASA工程塑料(liao)室外應用(yong)常年不變色(se)
5、產品設計(ji)輸(shu)出信號標配為(wei)RS485通(tong)訊(xun)接(jie)(jie)口(kou)(MODBUS協議);可選配232、USB、以太網接(jie)(jie)口(kou),支持(chi)數據實時讀取☆
6、可選配無線(xian)傳輸(shu)模塊,最小傳輸(shu)間隔1分(fen)鐘
三、溫濕度(du)大氣(qi)壓噪聲(sheng)傳(chuan)感器技(ji)術參數
1、空氣(qi)溫度:-40-60℃(±0.3℃);(北京市氣(qi)象局校準證書)
2、空氣濕度(du):0-100%RH(±3%RH);(北(bei)京市氣象局校準證書)
3、大氣(qi)壓力:300-1100hpa(±0.25%);(北京市氣(qi)象局(ju)校準證書)
4、噪聲:30-120dB(±1.5dB)
5、功率:0.12W
6、生產(chan)企業具有計算機軟件注冊證(zheng)書☆
7、生產企業(ye)為3A級信用企業(ye)☆
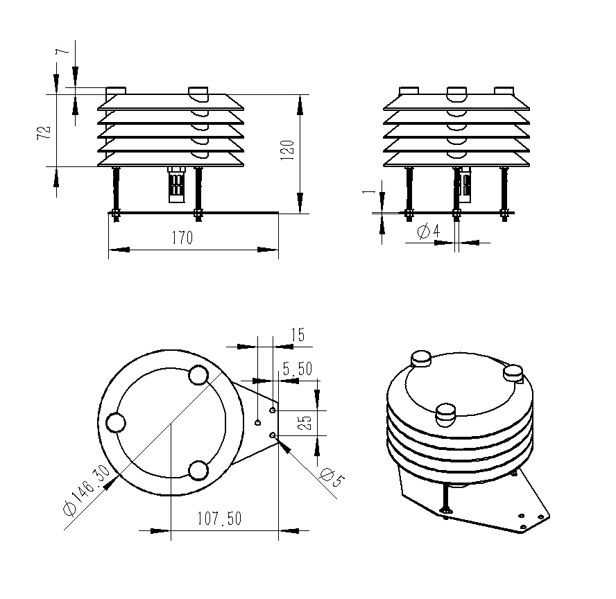
四、溫濕度(du)大氣壓噪聲傳感器(qi)產品(pin)尺寸(cun)圖

五、溫濕度大氣壓(ya)噪聲傳感(gan)器產品結構圖

本文地址://juyicw.com/1429.html




風途首頁
電話咨詢
產品中心