積塵走航設備
產品型號(hao):FT-ZY1
產品簡介:積(ji)塵(chen)走(zou)(zou)航(hang)設(she)備(bei)又稱走(zou)(zou)航(hang)式(shi)噪聲(sheng)環(huan)境在線監測設(she)備(bei),積(ji)塵(chen)走(zou)(zou)航(hang)設(she)備(bei)是采(cai)用激光為光源的光散射式(shi)快速測塵(chen)儀,測量原(yuan)理為:當光照射在空氣中懸浮的顆(ke)粒物(wu)上時,產生散射光,在顆(ke)粒物(wu)性質一(yi)定的情況(kuang)下(xia),顆(ke)粒物(wu)的散射光強度與其質量濃(nong)度成正比。
市(shi)場價(jia)格:¥ 35800元
聯(lian)系方式:15689257565
相關產品
一、積塵走航設備產品簡介
積塵(chen)(chen)走(zou)航設(she)備(bei)又稱走(zou)航式噪聲環境在(zai)(zai)線監測設(she)備(bei),積塵(chen)(chen)走(zou)航設(she)備(bei)是采用激(ji)光(guang)(guang)為光(guang)(guang)源的(de)光(guang)(guang)散(san)射(she)(she)式快速測塵(chen)(chen)儀(yi),測量(liang)原理為:當光(guang)(guang)照(zhao)射(she)(she)在(zai)(zai)空氣中懸浮的(de)顆(ke)(ke)粒物(wu)上時(shi),產生散(san)射(she)(she)光(guang)(guang),在(zai)(zai)顆(ke)(ke)粒物(wu)性質一定的(de)情況(kuang)下,顆(ke)(ke)粒物(wu)的(de)散(san)射(she)(she)光(guang)(guang)強(qiang)度(du)與(yu)其質量(liang)濃度(du)成正(zheng)比(bi),通(tong)過測量(liang)散(san)射(she)(she)光(guang)(guang)強(qiang)度(du),應用質量(liang)濃度(du)K值,求得顆(ke)(ke)粒物(wu)質量(liang)濃度(du)。
儀(yi)器(qi)可(ke)(ke)同時(shi)監(jian)測(ce)(PM10,PM2.5),具有溫(wen)濕度(du)補(bu)償(chang)、儀(yi)器(qi)自動校(xiao)準(zhun)等(deng)功能的新(xin)型測(ce)塵儀(yi)器(qi),可(ke)(ke)有效降低(di)溫(wen)濕度(du)對(dui)測(ce)量值(zhi)的影響,改善高濕度(du)氣(qi)候(hou)環境下測(ce)量準(zhun)確度(du),可(ke)(ke)在(zai)線連(lian)續監(jian)測(ce)空氣(qi)中顆粒(li)物。
具(ju)備粉塵采(cai)樣進氣及出氣功能,具(ju)備過濾桶裝置、可(ke)保(bao)護(hu)抽氣泵的(de)使用壽(shou)命,提高儀器的(de)整體使用壽(shou)命。可(ke)在高溫環境(jing)(jing)下持續監測,可(ke)在安裝現場高溫環境(jing)(jing)下穩定可(ke)靠工作,能夠7x24小時不(bu)間斷(duan)工作。
二、積(ji)塵(chen)走航設備傳感器技術(shu)參數
1、空氣溫、濕、氣壓(ya)傳感(gan)器:
1.1基本原理
本系(xi)列產(chan)品是采用(yong)(yong)一(yi)款(kuan)高度(du)集成的(de)(de)溫(wen)濕(shi)度(du)傳感器芯片,芯片全測(ce)量范圍標定(ding)的(de)(de)數字輸出(chu)。它采用(yong)(yong)專利(li)的(de)(de)CMOSens技術,確(que)保產(chan)品具有極高的(de)(de)可(ke)靠性與卓越的(de)(de)長期(qi)穩定(ding)性。傳感器包括一(yi)個電(dian)容性聚合體濕(shi)度(du)敏(min)感元件(jian)(jian)和一(yi)個用(yong)(yong)能(neng)隙材料制成的(de)(de)溫(wen)度(du)敏(min)感元件(jian)(jian),這兩個敏(min)感元件(jian)(jian)與一(yi)個14位(wei)的(de)(de)A/D轉(zhuan)換器以及一(yi)個串(chuan)行(xing)接(jie)口電(dian)路設計在同一(yi)個芯片上(shang)面(mian)。
1.2基本參數
空氣溫度:測量(liang)范圍:-40℃-60℃ 分辨(bian)率(lv):0.1℃ 測量(liang)精度:±3%
空(kong)氣濕度:測(ce)量范圍:0-100% 分(fen)辨(bian)率:0.1% 測(ce)量精度:±3%
大氣(qi)壓(ya)力:測量范圍(wei):300~1100hpa 分辨(bian)率:0.1hpa 測量精度:±1hpa
2、風速傳感器
2.1功能特點
風速(su)傳感器(qi)是(shi)用于測(ce)量風的(de)水平速(su)度的(de)專業(ye)(ye)氣(qi)象儀器(qi)。采用傳統(tong)三風杯(bei)風速(su)傳感器(qi)結構(gou),風杯(bei)選用ABS材料,強度高,同時配合內部順滑(hua)的(de)軸承系統(tong),啟動好,確保了信(xin)息采集的(de)精確性。杯(bei)體內置信(xin)號處理(li)單元能(neng)根據用戶需(xu)求輸出相應風速(su)信(xin)號,可廣(guang)泛用于氣(qi)象、海洋、環境、機場、港口(kou)、實驗(yan)室、工農(nong)業(ye)(ye)及交通等領(ling)域。
2.2技術參數
測(ce)量范圍:0-32.4m/s精(jing)度:±0.3m/s啟動風速:0.2-0.4 m/s
供電電壓(ya):7-24v DC
輸出信號:4-20mA
風(feng)速(su)值=(輸出電壓-0.4)/1.6*32.4
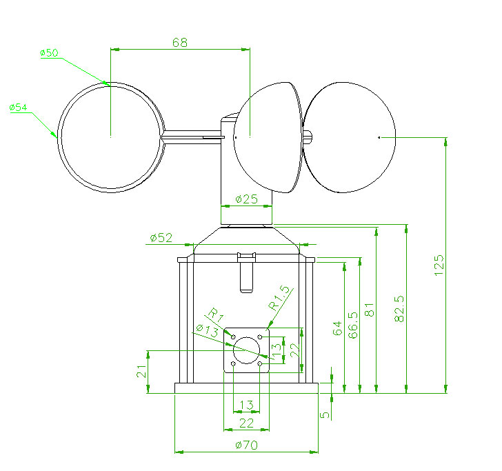
2.3外型尺寸與安(an)裝說明

2.4固定方式
采用(yong)法蘭安裝方(fang)法,螺紋法蘭連接(jie)使風速傳感器(qi)下部管件牢牢固定(ding)在(zai)(zai)法蘭盤(pan)上(shang),底盤(pan)Φ70mm,在(zai)(zai)Φ61mm的(de)(de)圓周上(shang)開四個均Φ5mm的(de)(de)安裝孔,使用(yong)螺栓(shuan)將(jiang)其緊(jin)緊(jin)固定(ding)在(zai)(zai)支架上(shang),使整套儀器(qi)保(bao)持在(zai)(zai)最佳水(shui)平度,確保(bao)風速數(shu)據的(de)(de)準確性,法蘭連接(jie)使用(yong)方(fang)便,能夠承受較大的(de)(de)壓(ya)力。
3、風向傳感器
3.1功能特點
風(feng)(feng)(feng)向(xiang)傳(chuan)感器(qi)是用于(yu)(yu)測(ce)量(liang)風(feng)(feng)(feng)的(de)(de)水平(ping)風(feng)(feng)(feng)向(xiang)的(de)(de)專業(ye)氣象(xiang)(xiang)儀(yi)器(qi)。其內部采用霍(huo)爾角度傳(chuan)感器(qi),并選用低慣性輕金屬(shu)風(feng)(feng)(feng)向(xiang)標(biao)響應風(feng)(feng)(feng)向(xiang),當風(feng)(feng)(feng)向(xiang)發生變化,尾翼轉動(dong)通過軸桿帶動(dong)軸芯磁鐵轉動(dong),從(cong)而在(zai)輸出變化的(de)(de)電(dian)壓信號。可以測(ce)量(liang)以標(biao)簽北(bei)為起點的(de)(de)0-360度的(de)(de)自然(ran)界風(feng)(feng)(feng)向(xiang),具有很高(gao)的(de)(de)性價比,可廣泛用于(yu)(yu)氣象(xiang)(xiang)、海(hai)洋、環境、機場、港口、實驗室、工農業(ye)及交通等領域。
3.2技術參數
測量范圍:0-360度(du)(du):(0.4V,或4MA對應(ying)0度(du)(du),北的方向)
精度:±1°
啟動風速(su):0.3m/s
供電電壓:7-24v DC
輸出信號:4-20mA
風向值=(輸出電壓-0.4)/1.6*360
3.3外形結構

3.4固定方式
采(cai)用(yong)法(fa)(fa)蘭安(an)裝方法(fa)(fa),螺(luo)紋(wen)法(fa)(fa)蘭連接使(shi)風向傳感器(qi)下部管件牢(lao)牢(lao)固定(ding)在(zai)(zai)(zai)法(fa)(fa)蘭盤上(shang),底盤Φ70mm,在(zai)(zai)(zai)Φ61mm的圓周上(shang)開四個均Φ5mm的安(an)裝孔,使(shi)用(yong)螺(luo)栓將其緊緊固定(ding)在(zai)(zai)(zai)支架(jia)上(shang),使(shi)整套儀器(qi)保持在(zai)(zai)(zai)最佳水平度,確(que)保風向數據(ju)的準確(que)性,法(fa)(fa)蘭連接使(shi)用(yong)方便,能夠承受(shou)較大(da)的壓力。
注意:請在(zai)安裝調試時必須將立柱上(shang)的箭(jian)頭(tou)(tou)對準實際正北方(fang)(可用指南針(zhen)協助),黑色風向傳感器上(shang)貼印(yin)有(you)黑色箭(jian)頭(tou)(tou)的白色標簽(qian);
4、泵吸式PM2.5、PM10傳感器(qi):
供電電壓:DC12V
最大功耗:(電流2.5A)約(yue)30W
輸出方式:RS485(Modbus)
監測原理:激光散射
除濕原理:加熱除濕
氣泵流量(liang):2L/min
尺寸:230x175x90(長寬高)
重(zhong)量:約1.85kg(不含濾芯)
監測指標:
PM2.5 測量范圍:0-999ug/m3 分辨率:1ug/m3 測量誤差:±10%
PM10 測量范圍(wei):0-1999ug/m3 分(fen)辨(bian)率:1ug/m3 測量誤差:±10%
TSP 測量范(fan)圍(wei):0-4999ug/m3 分(fen)辨率(lv):1ug/m3 測量誤差:±10%.
噪聲 測量(liang)(liang)范(fan)(fan)圍:40db~130db 分辨率:0.5db 測量(liang)(liang)誤差:±5% 頻率范(fan)(fan)圍:10-20KHz;
5、LED:
常規配(pei)置,戶外P8單色LED單行顯示

6、采集器參數:
該數(shu)據(ju)采集(ji)(ji)器(qi)(qi)采用當代(dai)微(wei)電子技術,對運行中的傳感器(qi)(qi)數(shu)據(ju)進行記(ji)錄、存儲、顯示具有(you)工(gong)作可(ke)(ke)靠、操(cao)作簡單、數(shu)據(ju)便于收集(ji)(ji)和計算機分析(xi)等特點。采集(ji)(ji)器(qi)(qi)可(ke)(ke)將采集(ji)(ji)的數(shu)據(ju)直(zhi)接存儲到(dao)普通U盤(pan)(pan)中。數(shu)據(ju)采集(ji)(ji)完畢后(hou),用戶可(ke)(ke)直(zhi)接將U盤(pan)(pan)插入采集(ji)(ji)器(qi)(qi)上(shang)提取(qu)數(shu)據(ju)。
供電:DC12V/直流
傳感器通訊:RS485 Modbus協議(yi)
網(wang)絡數據:GPRS傳輸
內部時鐘:手動校時
數(shu)據存儲:自動、最大16萬條
存儲間(jian)隔:60-65535可設。單(dan)位:秒
RS485接口:DB9針
數據(ju)導出:USB口、485口連接電腦、網站下載
本文地址://juyicw.com/1477.html




風途首頁
電話咨詢
產品中心