金屬款六要素微型氣象儀
產品型號:FT-Y6S
產品簡介:金屬(shu)款(kuan)六(liu)要(yao)素微型(xing)氣象儀(yi)創新(xin)性地將(jiang)氣象標(biao)準六(liu)參數(shu)(環(huan)境溫度(du)、相對濕度(du)、風速、風向、大氣壓力(li)、壓電雨量)通(tong)過(guo)一個高集成(cheng)度(du)結構來實(shi)現(xian),可(ke)實(shi)現(xian)戶(hu)外氣象參數(shu)24小時連續(xu)在線監測。
市場(chang)價格(ge):¥ 8600元
聯系方式:15689257565
相關產品
一、金屬款六要素微型氣象儀產品簡介
山東風(feng)途(tu)物聯網科技有(you)限公(gong)司作為專業研發生(sheng)(sheng)產(chan)銷售微(wei)型(xing)氣(qi)(qi)象(xiang)儀(yi)的企(qi)業,一直致(zhi)力(li)(li)于微(wei)型(xing)氣(qi)(qi)象(xiang)儀(yi)和氣(qi)(qi)象(xiang)環境解決方案推(tui)廣應用。具有(you)完整的生(sheng)(sheng)產(chan)鏈(lian)、實力(li)(li)雄厚的技術團(tuan)隊和全面的營銷團(tuan)隊,我們研發生(sheng)(sheng)產(chan)的超聲(sheng)波風(feng)速風(feng)向儀(yi)、五要素(su)微(wei)氣(qi)(qi)象(xiang)儀(yi)、六(liu)要素(su)微(wei)氣(qi)(qi)象(xiang)儀(yi)和小型(xing)自動(dong)氣(qi)(qi)象(xiang)站等氣(qi)(qi)象(xiang)產(chan)品,已廣泛應用到氣(qi)(qi)象(xiang)監測、城市環境監測、風(feng)力(li)(li)發電、航(hang)海船(chuan)舶(bo)、航(hang)空(kong)機(ji)場、橋梁隧(sui)道(dao)等領域,客戶遍布全國各地,并取(qu)得了良好的社會效(xiao)益和經濟效(xiao)益。
FT-Y6S型六要素微氣象(xiang)儀原理(li)為發射連續變頻超(chao)聲波(bo)信號,通過測(ce)量相對(dui)相位來(lai)檢測(ce)風(feng)速(su)風(feng)向(xiang)(xiang)。與傳統的超(chao)聲波(bo)風(feng)速(su)風(feng)向(xiang)(xiang)儀相比,我司產(chan)品克服了(le)對(dui)高精度計時(shi)(shi)器(qi)的需求,避(bi)免了(le)因傳感(gan)器(qi)啟動延時(shi)(shi)、解(jie)調電路延時(shi)(shi)、溫度變化(hua)而造成的測(ce)量不(bu)準問題。
FT-Y6S型六(liu)(liu)要素微(wei)氣(qi)象(xiang)儀(yi)創新性地將(jiang)(jiang)氣(qi)象(xiang)標準六(liu)(liu)參數(shu)(環境(jing)溫度、相對(dui)濕(shi)度、風(feng)速、風(feng)向(xiang)、大氣(qi)壓(ya)力(li)、壓(ya)電雨量)通(tong)過一個高集成(cheng)度結構來實(shi)現(xian),可(ke)實(shi)現(xian)戶外氣(qi)象(xiang)參數(shu)24小時連續在(zai)線監測,通(tong)過數(shu)字量通(tong)訊接(jie)口將(jiang)(jiang)六(liu)(liu)項參數(shu)一次(ci)性輸出給用戶。
二(er)、金屬款六要(yao)素微(wei)型(xing)氣(qi)象儀產(chan)品(pin)特點(dian)
1、頂蓋隱藏式超聲(sheng)波探頭,避(bi)免雨雪堆積的干擾,避(bi)免自然風遮擋(實用新型專利,專利號ZL 2020 2 3215713.X)☆
2、原理為發(fa)(fa)射連續變頻超聲波信號(hao),通過測(ce)量相(xiang)對相(xiang)位(wei)來檢測(ce)風速風向(發(fa)(fa)明專(zhuan)(zhuan)利,專(zhuan)(zhuan)利號(hao)ZL 2021 1 0237536.5)☆
3、風速、風向、溫度(du)、濕度(du)、大氣壓力、壓電雨量六要素一體(ti)式(實用(yong)新型專(zhuan)利,專(zhuan)利號ZL 2020 2 3215649.5)☆
4、采用先進的傳感技術(shu),實時(shi)測量,無(wu)啟動風速☆
5、抗干擾(rao)能力強,具有看門狗電路,自動復位功能,保證系統穩定運行(xing)
6、高(gao)集成(cheng)度,無移(yi)動部件,零磨損
7、免維護,無需(xu)現場校準
8、采(cai)用不銹(xiu)鋼材質,強度高(gao)、抗氧化、抗腐(fu)蝕
9、產(chan)品設計輸出信(xin)號標配(pei)為RS485通訊接口(kou)(kou)(MODBUS協議);可選配(pei)232、USB、以太網接口(kou)(kou),支持(chi)數據實時讀取(qu)☆
10、可選配外置無線傳(chuan)輸模塊,最小傳(chuan)輸間(jian)隔1分鐘
11、可選配內置加(jia)熱模塊:加(jia)熱電流1A(DC12V),加(jia)熱功耗12-15W
12、一體式設計磨(mo)損(sun)小、使用壽命(ming)長、響應(ying)速度快
三、金屬(shu)款六要(yao)素微(wei)型氣象儀技術參數
1、風速:0~60m/s(±0.1m/s);(北(bei)京市氣象校準證書)
2、風向(xiang):0~360°(±2°);(北京市氣(qi)象校準證書(shu))
3、空氣(qi)溫度:-40-60℃(±0.3℃);(北京市氣(qi)象局校準證書)
4、空氣濕度:0-100%RH(±3%RH);(北京市(shi)氣象局(ju)校準(zhun)證(zheng)書)
5、大氣(qi)壓力:300-1100hpa(±0.25%);(北(bei)京市氣(qi)象(xiang)局校準證書)
6、壓電雨量:0-4mm/min(±4%)
7、功率:1.08W
8、生產企(qi)業具有(you)ISO質量管理體系、環境管理體系和職業健康管理體系認證☆
9、生(sheng)產企業具有計算機軟(ruan)件注冊證(zheng)書☆
10、生產企業(ye)為(wei)3A級信用企業(ye)☆
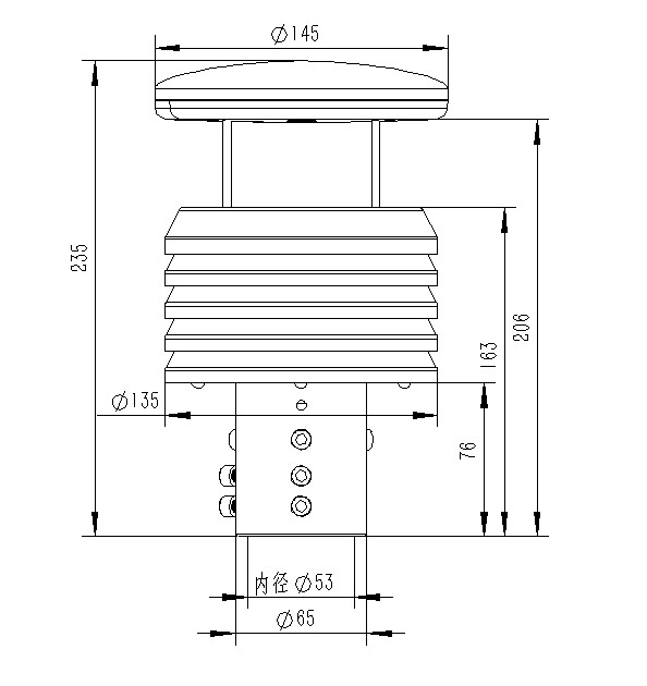
四、金屬款六要素微型氣象儀(yi)產品(pin)尺寸(cun)圖(tu)

五、金屬款六(liu)要素微(wei)型氣象儀產品結構圖

六(liu)、金屬款六(liu)要(yao)素微型氣(qi)象(xiang)儀注意事項
1.傳感器(qi)水(shui)平(ping)周圍(wei)1米半徑(jing)無遮擋,避免水(shui)滴飛濺(jian)影響
2.傳感器安(an)裝位置應避開(kai)強機(ji)械振動(dong)源
3.傳感器安裝(zhuang)上方應為(wei)開闊區域,雨滴應直接滴落至傳感器,應免二次(ci)滴落和(he)連續(xu)水流沖(chong)擊
本文地址://juyicw.com/2776.html




風途首頁
電話咨詢
產品中心