相關產品
一、土壤溫濕鹽傳感器技術指標
土(tu)壤(rang)(rang)溫(wen)(wen)濕鹽(yan)(yan)傳(chuan)(chuan)感(gan)器又稱土(tu)壤(rang)(rang)溫(wen)(wen)濕鹽(yan)(yan)一體傳(chuan)(chuan)感(gan)器,土(tu)壤(rang)(rang)溫(wen)(wen)濕鹽(yan)(yan)傳(chuan)(chuan)感(gan)器性能穩定靈(ling)敏度高,是觀測(ce)和研究鹽(yan)(yan)漬土(tu)的(de)發生、演變、改(gai)良(liang)以及水鹽(yan)(yan)動(dong)態(tai)的(de)重要工具。
1.供電:DC12V
2.功(gong)耗:小于(yu)0.1W
3.工(gong)作溫度:-30~70℃
4.通信接口:RS485
5.工作電流:8mA DC12V
6.最短數(shu)據(ju)間隔(ge):60S
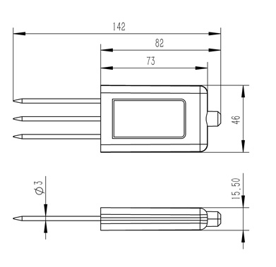
二、土壤溫(wen)濕鹽傳(chuan)感器產品尺寸圖(tu)

三、土壤溫濕(shi)鹽傳(chuan)感器使用注意事項(xiang)
1.傳(chuan)感器安(an)裝(zhuang)應嚴格按照安(an)裝(zhuang)使(shi)用說明書進(jin)行。
2.多個傳感器同時工作時,必須(xu)間(jian)隔5米以上距離。
3.傳感器(qi)測量原理限制(zhi),傳感器(qi)測量地為(wei)中心半徑5米(mi)范圍內(nei)不(bu)應有電磁線纜和強磁輻射(she)干擾(rao),
避(bi)免造(zao)成(cheng)傳感器測量的巨大誤差和(he)損壞。
4.傳感器(qi)的安裝環境應該符合傳感器(qi)的測量(liang)范(fan)圍,避(bi)免(mian)超(chao)量(liang)程(cheng)等不規范(fan)行為。
5.傳感器安(an)裝應避開強酸強堿、重油(you)污重金屬環境進行。
6.傳感(gan)器為土壤測(ce)量傳感(gan)器,禁止將本傳感(gan)器對其他行為。
7.傳感器安裝環境不能(neng)有(you)強(qiang)振動。
8.傳感(gan)器(qi)不能有過強外力作用。
9.禁(jin)止(zhi)拆卸,私自拆卸將不提供任何服(fu)務。
10.傳(chuan)感器探針(zhen)較為鋒(feng)利,使用時應(ying)按規定注意佩戴護(hu)具(ju)。
11.設備(bei)使用(yong)和維(wei)護應嚴格按照上述注意事項(xiang)進行,如(ru)有違規使用(yong)的行為,本司不承擔相(xiang)關負責(ze)
四、土壤溫(wen)濕鹽傳感器傳感器參數
| 參數 | 測量范圍 | 精度 | 分辨率 | 單位 |
| 土壤溫度 | -30~70℃ | ±0.3(-10~50℃) | 0.01 | ℃ |
| 土壤含水率 | 0~100% | ±3%(壤土)高有機質土壤(土壤有機碳含量>12%)高粘粒含量土壤(粘粒含量>45%)由于其介電弛豫特性,可能需要針對特定土壤類型進行標定 | 0.01% | --- |
| 土壤電導率 | 0~20000 | ±3%(15℃,0~10000us/cm)±5%(全量程) | 1 | us/cm |
| 土壤含鹽量 | 0~12800 | ±3% | 1 | mg/L |
本文地址://juyicw.com/2617.html




風途首頁
電話咨詢
產品中心