相關產品
一、稱重式水面蒸發器工作原理
稱(cheng)重式(shi)水(shui)面(mian)蒸(zheng)(zheng)發(fa)(fa)器(qi)又稱(cheng)不(bu)銹鋼蒸(zheng)(zheng)發(fa)(fa)傳感(gan)器(qi),稱(cheng)重式(shi)水(shui)面(mian)蒸(zheng)(zheng)發(fa)(fa)器(qi)是(shi)用于觀(guan)測(ce)(ce)水(shui)面(mian)蒸(zheng)(zheng)發(fa)(fa)在(zai)不(bu)同時間上變化(hua)規律(lv)的儀(yi)器(qi),可直接監測(ce)(ce)水(shui)面(mian)蒸(zheng)(zheng)發(fa)(fa)量(liang)(liang)。 應用壓力式(shi)測(ce)(ce)量(liang)(liang)原(yuan)理,通過測(ce)(ce)量(liang)(liang)蒸(zheng)(zheng)發(fa)(fa)皿(min)內液體重量(liang)(liang)變化(hua),再計算出頁面(mian)高度(du)(du),從而測(ce)(ce)得蒸(zheng)(zheng)發(fa)(fa)量(liang)(liang)。能(neng)夠適應各類環境(jing)的水(shui)面(mian)蒸(zheng)(zheng)發(fa)(fa)測(ce)(ce)量(liang)(liang),不(bu)受液體結冰的影(ying)響,克服了使用超聲波原(yuan)理測(ce)(ce)量(liang)(liang)液面(mian)高度(du)(du)時出現(xian)的結冰時測(ce)(ce)量(liang)(liang)不(bu)準、無水(shui)時易損壞傳感(gan)器(qi)、測(ce)(ce)量(liang)(liang)精度(du)(du)低等弊端。
二、稱重(zhong)式(shi)水面蒸發(fa)器適(shi)用范圍(wei)
水面(mian)蒸發(fa)(fa)傳(chuan)感(gan)器是用(yong)(yong)來感(gan)知水面(mian)蒸發(fa)(fa)量(liang)變(bian)化的(de)傳(chuan)感(gan)器,可以觀測(ce)水面(mian)蒸發(fa)(fa)在(zai)不同時間段的(de)變(bian)化規律,適用(yong)(yong)于氣象觀測(ce)、植物栽培(pei)(pei)、種子培(pei)(pei)養、農林業、地質勘測(ce)、科學研(yan)究等領域。
既(ji)可與自(zi)動(dong)(dong)加水裝(zhuang)置、數(shu)(shu)據(ju)采(cai)集發(fa)(fa)送(song)裝(zhuang)置等配套使用(yong),實現蒸(zheng)發(fa)(fa)過(guo)程自(zi)動(dong)(dong)監(jian)控,也可與數(shu)(shu)據(ju)采(cai)集存儲裝(zhuang)置(記錄儀)組合使用(yong),實現蒸(zheng)發(fa)(fa)數(shu)(shu)據(ju)的自(zi)動(dong)(dong)存儲,還(huan)可與雨(yu)量傳感器、數(shu)(shu)據(ju)采(cai)集發(fa)(fa)送(song)裝(zhuang)置等搭配使用(yong),實現蒸(zheng)發(fa)(fa)、降雨(yu)過(guo)程的自(zi)動(dong)(dong)觀測和遠程傳輸(shu)。
三、稱(cheng)重式水面蒸發器(qi)功能特點
1.可(ke)以防止太陽直(zhi)曬(shai)引起的蒸(zheng)發誤差(cha),擁有(you)比同行業產品更高的測量精度(du)值,響應速度(du)快;
2.整機選用(yong)304不銹鋼(gang)材質制成(cheng),耐腐蝕,不起(qi)銹,外(wai)觀精(jing)美,保證傳感器使用(yong)壽命;
3.壓力式測量(liang)(liang)原理(li),使用高(gao)精度的稱重(zhong)(zhong)原理(li)測量(liang)(liang)蒸發皿內液體的重(zhong)(zhong)量(liang)(liang)變(bian)化,計算(suan)出液面高(gao)度,從而測量(liang)(liang)得到蒸發量(liang)(liang),測量(liang)(liang)更準確,數據更科(ke)學;
4.雙(shuang)層防護的設計(ji)結構,該產品采用雙(shuang)層不銹鋼(gang)設計(ji),可以隔(ge)離外界干(gan)擾,使測量(liang)結果更加準確;
5.停電后再通電,輸出(chu)數據依(yi)然正確;
四、稱(cheng)重式水(shui)面蒸發器(qi)工作及存儲條(tiao)件
工作溫度:-40~85°C
工作濕度:0~100%RH
儲存(cun)濕(shi)度:<80%(無凝結)
五、稱重式水(shui)面蒸發器技(ji)術(shu)參(can)數(shu)
供(gong)電(dian)電(dian)壓:12V DC
測量范(fan)圍:0~190mm
測量精度:±1%
信號輸出:485 Modbus-RTU
響應時(shi)間:200ms
內(nei)桶口徑:φ200mm
防護等級:IP66
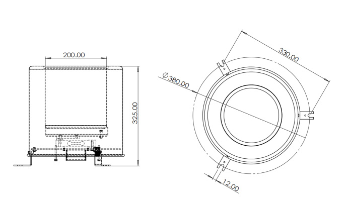
六、稱重式水面(mian)蒸發器產品(pin)尺寸圖

七、稱(cheng)重式水面蒸發器安裝指(zhi)導
1.安裝位置(zhi)選擇須知
設(she)備(bei)安裝(zhuang)地點應(ying)高出地面且須裝(zhuang)在(zai)水(shui)泥底(di)座(zuo)上,防(fang)止雨(yu)水(shui)淹沒底(di)盤及(ji)倒灌進(jin)設(she)備(bei)內(nei)部從而引起設(she)備(bei)短路(lu)或線路(lu)故障。
2.安裝步驟
將產品拆(chai)箱,把外殼、內膽、底座放置于水平地面準備安(an)裝(zhuang),安(an)裝(zhuang)步驟如(ru)下:
A去掉底部頂絲
B將內膽放(fang)置于底座托(tuo)盤上
C將外(wai)殼(ke)罩(zhao)在底座(zuo)底盤上
D轉動外殼使(shi)外殼底(di)(di)部螺(luo)栓孔與(yu)底(di)(di)座托盤螺(luo)栓孔對齊后插(cha)入螺(luo)栓擰緊
E將組裝(zhuang)好的設備固定于預先制作好的水泥(ni)底(di)座上
本文地址://juyicw.com/2623.html




風途首頁
電話咨詢
產品中心